Thiết Bị Đo Lực xoắn Model HBS CAS – Lựa Chọn Cân Tải Cao Cấp Trong Khoảng 10 Kgf Đến 500 Kgf
Cảm Biến Lực HBS – Thiết Bị Cảm Biến Lực Chính Xác Từ 10 kgf Đến 500 kgf
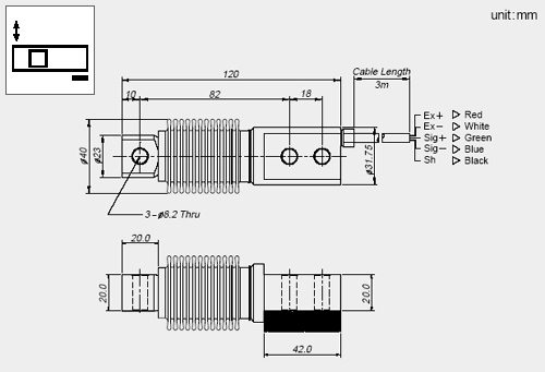
Mô Tả Ngắn: Thiết bị cảm biến lực HBS là cảm biến tải trọng dạng cong chất lượng cao, xác định tải từ 10kg lực đến 500kg lực, ứng dụng trong nhiều thiết bị đo lường, kiểm tra lực, đảm bảo độ chính xác cao và hoạt động bền bỉ.
https://hoasenvang.com.vn/shops/Cam-bien-tai-thanh-uon/Cam-bien-tai-loadcell-HBS-10kgf-500kgf.html

Nguyên Nhân Nên Ưu Tiên Thiết Bị Hoàn Hảo Cho Các Hệ Thống
Loadcell HBS thiết kế kiểu uốn, tương thích với nhiều ứng dụng, cân điện tử, hay máy kiểm tra lực. Với giải đo rộng từ 10 – 500 kgf, sản phẩm này mang lại sự chính xác, tín hiệu sạch, nâng cao hiệu suất và tăng độ chính xác trong quản lý tải.
Ưu Thế Chính:
Hiệu Suất Ổn Định
Vật Liệu Chống Gỉ
Chống Nước Tốt
Kết Nối Linh Hoạt
Bảo Hành Dài Hạn
Tóm tắt nội dung
Nơi Áp Dụng Thực Tế Của Thiết Bị HBS
Loadcell HBS thường được ứng dụng trong:
Hệ Thống Cân Bệ
Dây Chuyền Kiểm Tra Lực
Robot Công Nghiệp
Giám Sát Trọng Lượng
Ghi chú: Để kết quả đo chính xác, hãy lắp theo hướng dẫn kỹ thuật đi kèm.
Tính Năng Đặc Biệt Của Loadcell HBS
Chịu Lực Mạnh
Cảm Biến Nhạy
Chống Nước IP65
Tương Thích Đa Thiết Bị
Hiệu Chuẩn Đơn Giản
Lưu Ý Khi Chọn Mẫu Loadcell HBS Phù Hợp
Lựa chọn đúng cảm biến nên xem xét các yếu tố sau:
Tải Trọng Yêu Cầu
Điều Kiện Sử Dụng
Loại Tín Hiệu Cần Xuất Ra
Giới Hạn Nhiệt Độ
Ví Dụ:
Ứng dụng đo tải 50kgf → dùng HBS-50
Lưu ý: Cần cân chỉnh định kỳ để tránh sai số.
Tích Hợp Và Hiệu Chỉnh Loadcell HBS
Gắn chắc chắn vào khung sườn
Cân chỉnh trước khi kết nối dây
Chú ý dây nối mass và tín hiệu
Thử tải để xác minh kết quả
So sánh kết quả trước–sau hiệu chỉnh
Thông tin quan trọng:
Sản phẩm được nhập khẩu chính hãng bởi CTY Hoa Sen Vàng, đặt trụ sở tại Bình Thạnh. Vui lòng liên hệ Anh Tuân, số điện thoại: 0901.334.669 để được báo giá nhanh.
Tham khảo chi tiết thông số kỹ thuật và các mức tải khác nhảu của thiết bị:


FAQ Liên Quan
1. Tôi có cần hiệu chuẩn sau thời gian sử dụng?
Có. Cần hiệu chuẩn để giảm sai số.
2. Thiết bị có dùng dưới nước được không?
Không nên ngâm. Dù chịu ẩm ổn, HBS chỉ chịu nước xịt mạnh.
3. Dây tín hiệu có thể nối dài không?
Có thể, nhưng nên dùng dây chống nhiễu. Sau khi nối dài, hãy kiểm tra tín hiệu đầu ra.
Liên Hệ Ngay – Lựa Chọn Thông Minh Cho Doanh Nghiệp Của Bạn
Bạn còn chờ gì nữa? Nếu bạn đang tìm kiếm một cảm biến tải trọng bền bỉ, Thiết bị HBS là lựa chọn không thể bỏ qua!
Hãy đặt mua ngay hôm nay, số lượng có hạn!
Sản phẩm được nhập khẩu và cung cấp bởi Công ty Hoa sen vàng, tại Quận Bình Thạnh, vui lòng liên hệ Anh Tuân, số liên hệ: 0901.334.669.
Tìm hiểu ngay tại Công ty Hoa Sen Vàng – điện thoại: 028 0906 903 369 / 0901 334 669 – hoặc truy cập website: https://hoasenvang.com.vn
—
* Thông tin doanh nghiệp: Công ty Thiết bị đo lường Hoa Sen Vàng cung cấp nhiều kiểu dáng và mẫu mã cân với các cấp độ tải trọng khác nhau. #Cânđiệntử #ctyhoasenvàng #cânsiêuthị #Cântreo
>> hẻm xe tải 1,5 tấn / xe khách 45 chỗ / Có thể đậu xe Ôtô qua đêm … !
CÔNG TY TNHH THIẾT BỊ ĐO LƯỜNG HOA SEN VÀNG
(Kinh doanh) 82/2/11 Đinh Bộ Lĩnh, P.26, Q. Bình Thạnh, Tp. Hồ Chí Minh
Tel: (028) 3511 7799 / 3511 4858 / 3511 4859 – Fax: (028) 3898 1277
Thông tin liên hệ vui lòng:
~~~~~~~~~~~~~~~~~~~~~~~~~~~~~~~~~
– Chuyên viên Kinh doanh :Mr. Tô Anh Tuân
– Liên hệ Di động | Zalo | Viber | skype | Call : 0901 334 669
– Liên hệ thư điện tử: [email protected]
~~~~~~~~~~~~~~~~~~~~~~~~~~~~~~~~~
Web_shop: https://canbinhthanh.com ~/~ https://candientuohaus.com
~~~~~~~~~~~~~~~~~~~~~~~~~~~~~~~~~
Thiết bị cân điện tử Hoa Sen Vàng có phong phú mẫu mã và nhiều mức tải trọng đa dạng.



